新款 3D重型鉸錬(自動迴歸功能)

專利型自動迴歸 3D重力型鉸鍊(靜音型)(可調整型)(防火級)
當門開啟90度時,門會自動上升6mm
利用重量角度學"自動回歸"專利功能結構進化
符合法規,門扇自動關閉
可替代一般隱藏式門弓器、小毛病狀況的問題

1.  塑鋼精密内油封裝3D鉸鍊,專利彈簧特規結構總成
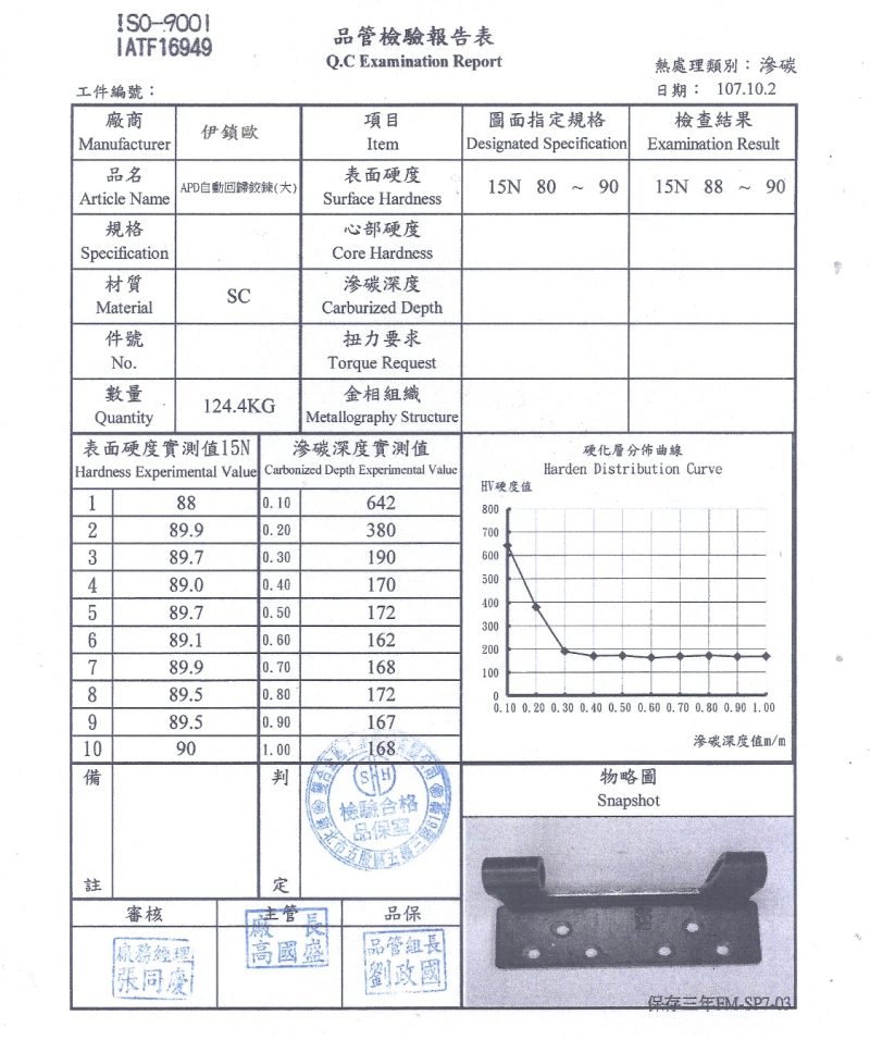
2. 中心軸栓、鋼性硬化、熱處理強化結構,鉸鍊主體特殊氮化渗碳深冷處理
3. 通過承載重力1000 KG測試認證、通過CNS 11227防火級測試
4. 領先業界通過SGS嚴格品質證書

新款3D型鉸鍊 自動迴歸功能
原本厚度3.5mm,現在加強厚度至4.0mm
加寬加厚強化載重版,鉸錬合頁熱處理渗碳硬化,提高金屬硬度扭力組織
SGS 載重及使用往覆測試,目前通過200公斤門使用開關20萬次認證
重點好安裝沒有後續問題,工時保固維修
就可以省下時間人力成本,客戶也贏得好評
上下二顆大的6mm調整螺絲,採用不鏽鋼材質、內六角孔深度加深好調整不滑牙
特規經過熱處理渗碳硬化,載重更穩、無異音、不吋斗動、好品質、一勞永逸
關鍵精密技術CNC精密加工重點是製造技術的同心圓
1. 檢附SGS載重、20萬次200公斤門往覆測試報告認證
2. 鉸錬剛性熱處理渗碳硬化報告證書
3. 專利型自動迴歸功能鉸鍊,通過CNS 11227防火測試
Scroll to Top